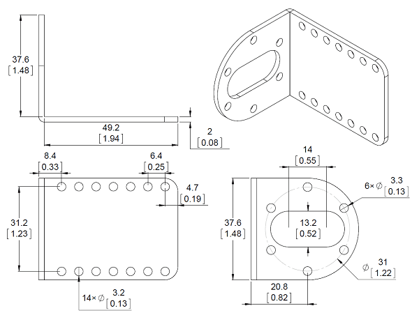
Pololu 37D metal dişli motorlarınız için tasarlanmış
alüminyum montaj braketleri, motorları projelerinize kolay ve güvenli bir
şekilde sabitlemenizi sağlar. Braketler çift olarak satılır ve her braket,
motoru braket üzerine sabitlemek için altı adet M3 vida içerir.
Her braketin ayrıca, farklı montaj seçenekleri sunan on dört
adet M3 veya #4 boyutunda vida deliği bulunur (vidalar dahil değildir). Bu
sayede motorunuzu projenizin ihtiyaçlarına göre esnek şekilde
yerleştirebilirsiniz.
Üretici firma kaynakları için tıklayınız.
Bu braketler, 37D metal dişli motorlarınızın projelerde güvenli ve esnek bir şekilde montajını sağlar.
